设为首页收藏本站rss

南京金友网 做南京人的网上家园

 找回密码
 立即注册

QQ登录

只需一步,快速开始

微信登录

微信扫一扫,快速登录

手机动态码快速登录

手机号快速注册登录

查看: 3587|回复: 0
收起左侧

电子技工业务试题

[复制链接]
累计签到:265 天
连续签到:3 天

1011

主题

100

回帖

1万

积分

管理员

Rank: 9Rank: 9Rank: 9

积分
18900

最佳新人活跃会员热心会员推广达人宣传达人灌水之王突出贡献优秀版主荣誉管理论坛元老

发表于 2022-12-7 10:20:55 来自手机 | 显示全部楼层 |阅读模式 IP:- 中国

马上注册,结交更多好友,享用更多功能,让你轻松玩转社区。

您需要 登录 才可以下载或查看,没有账号?立即注册 微信登录 手机动态码快速登录

x
中华人民共和国海事局适任培训大纲熟悉训练01
科目:电子技工业务
适用对象:750kW及以上船舶电子技工

1.下列关于电气防火防爆的措施不正确的是__b
A.定期检测电缆、电气设备的绝缘电阻,做好记录,遇到问题及时处理
B.船舶电力系统一般采用三相抱染系统,设备单相接地可以长期运行
C.易燃、易爆场所应使用防爆电气设备

2.根据《劳动法》,船员在船工作时间一般为每天__c
C.8小时
B.4小时
A.1小时

3.交流电流表是一个内阻___b__的电流元件、对外引出的两个接线端子___b___极性。
C.很高/有
B.很低/没有
A.很低/有

4.下列有关上高作业的说法中,正确的是c
A.上高作业人员应穿硬底鞋
B.只要手抓牢了,作业时也可以不系安全带
C.必要时应在作业处的下方铺设安全网

5.海(淡)水柜水位自动控制系统通过__a_检测柜内___变化进而判断水位水平,并决定是否需要自动接通或断开抽水泵电机的一种船用设备。
A.压力继电器.气体压力
B.电压继电器.气体压力
C.压力继电器. 水位高度

6.机舱地板上的油污__b
A.每天集中清理
B.必须随时清理
C.每周集中清理

7.为了保隐支全用电、在进行电气操作时,做法诺误的是_
A.只要电气设备在不运行状态, 祝情采取停电措施进行电气设备的维修
B.必须采取停电措施并在安装或维修设备的供电开关上悬挂“正在检修,禁止合闸!”的警告牌
C.在带电部位邻近处进行安装或维修设备时,必须保证有可靠的安全距离

8.舷梯的长度应在船舶不利的纵倾情况下和向任何一舷横倾不少于_____,可从舷梯甲板延伸到最轻载航行水线。
B.20°
A.25°
C.15°

9.船舶压载水对海洋环境造成污染的主要原因是船舶压载水中的________。
C.有害水生物及病原体
A.垃圾
B.油类

10.电机轴承需要添加润滑脂时,一般1500r/min的电机加轴承室空间的___。
B.2/3
A.1/2
C.I/4

11.三相异步电动机的旋转方向与三相交流电源的_____有关。
C.相序
B.频率大小
A.电流大小

12.筹舶主染滤机采用成气涡轮增压为了___。
B.提高进气温度
C.提高进气体积
A.提高进气压力

13.有关火灾探测器出现误报警的原因分析,下列说法错误的是_________。
A.当某区域报警,而该区域没有火情,应当考虑火灾探测器自身问题,更换一试
B.任何产品都有生命周期,火灾探测器一般10年,超过10年,系统元件老化会带来误报警
C.对于频繁误报的火灾探测器,经检测无其它干扰因素影响,可把此探测器关闭

14.一种火警探测器利用火灾前兆的热效应,当温度超过限定值时发出火警信号,这种火警探测器称为_火警探测器。
A.差温式
B.感烟式
C.定温式

15 船用电缆分类有多种。按其作用可分为__。
A.高压电缆、低压电缆
B.通信电缆、电力电缆、控制电缆
C.强电电缆、弱电电缆

16.对船上库存备件的数量,可从方面来考虑。①安全角度②满足船级社的备件要求③适应船舶各件消耗的具体情况④备件交货时间的长短⑤轮机人员的技术水平
A.②③④⑤
C.①②③④
B.①③④⑤

17.舵机电气系统维护保养项目:随动舵操纵台,对应的维护保养周期是_。
C.6个月
A.每个航次
B.3个月

18.笼型异步电动机转子断条时可能出现____故障现象。
B.电动机转速过低
C.电源接通后电动机不起动
A.电动机运行温升过高

19.下列有关清洗和油漆作业的说法中,错误的是
A.在处理酸、碱或其他化学品时,需相应的戴手套、防护眼镜等
B.在进入有毒处所时,需相应的戴手套、口罩等
C.油漆贮藏间内部或其他封闭处所应分片包干后,所有的人员同时作业,各自单干,以提高效率

20.电气设备液上海水,__。
A.不会发生故障
B.可能引起短路
C.提高设备使用寿命

21.船舶照明电网为三相绝缘系统.照明电压是通过三相变压器变压获得,那么三相变压器的副边应接成
B.三角形
A.星形
C.星形带中线

22.同步发电机铭牌上标有的额定功率是指发电机的_额定电压是指发电机的____,
C.输入有功功率:相电压
B.输出有功功率;线电压
A.输出有功功率;相电压

23.下列有关吊运作业的说法中,正确的是_—
A.不能超负荷使用起吊工具
B.为了节约成本,可以使用断股铜丝的起吊工具
C.起吊时,应先高速将吊索绷紧,再慢慢调整

24. 预防触电描施中,正确的是____。①加强安全用电数育、严格操作规范②一般禁止节电检修③穿合格的绝缘鞋④三相四线制系统中,可以单相接触维修电网线路,但应注意尽可能单手接触带电体
A.①②③
c.①③④
B.②③④

25.空气压缩机的自动起停控制线路中不可缺少_____,以实现在设定的高压时______,而在设定的低压时_
C.热继电器/停止/起动
A.压力继电器/停止/停止
B.压力继电器/停止/起动

26.进行下列哪项工作时不应带手套?
C.凿削工作
B.钻床工作
A.焊接工作

27.电机后端盖的安装是棒轴伸端朝下垂直故置。在其端面上垫上木板,将后端盖套在后轴承上'用将其敏进去后,装轴承外盖。
A.钳子敲打
B.用手敲打
C.木锤敲打

28.船舶照明系统技重要性等级形成三种基本系统,即____。它们既区别又联系,形成有机整体,按重要性的程度各自与不同的配电板连接。
A.正常照明、应急照明和航行信号灯
B.舱室照明、甲板照明和应急照明
C.生活检照明、机器检室照明和货舱照明

29.对于三相对称正改交流电。最正确的表述是___。
A.三个电压幅值相等,方向相同的电动势
B.三个电压幅值相等,频率相同的电动势
C.三个电压幅值相等,频率相同,相位互差120°的电动势

30.电机受潮后,用于燥法提高电机继续性能,当绝缘电阻达___b__以上而且不再变化即可停止烘干。
A.2兆欧
B.5兆欧
C.4兆欧

31.当绝缘电阻低于0.5MG时,必须进行烘干处理,提高电机的绝缘。烘干的方法很多,但___b__不是常用的方法。
C.主机或锅炉废热风烘干法
B.电磁烘干法
A.烘箱烘干法

32.YT-1226压力继电器幅差调整螺钉有一红色标记,在它旁边的圆柱面上有0~10档刻底,红色标记对准0档时△P=_b
C.0.05MPa
A.0.0IMPa
B.0.07MPa

33.下列有关设备检修作业的说法中。错误的是a
A.检修主机时,如需转车,可随时进行,无需征求意见而影响工作进度
B.检修主机时,必须在主机操纵处悬挂"禁止动车"的警告牌
C.检修主机时,必须合上转车机

34.在火灾自动报警系统中防火控制设备,主要包括___
A.温度探测器、烟雾探测器、白动停止风机
B.白动停止风机、防火门电磁铁、白动灭火器等
C.烟雾探测器、白动停止风机

35.关于电气安全用具,说法错误的是____
A.电气安全用具分为绝缘安全用具和一般安全防护用具两大类
B.安全用电不仅应遵循安全用电规则,还应正确使用电气安全用具
C.验电笔属于防护安全用具

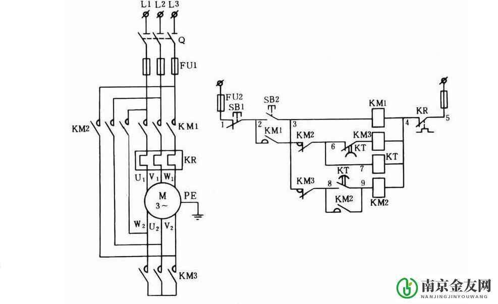
36.图为电机Y-△起动控制电路,当按下起动按钮后,电机一直处于Y接起动状态,不能达到正常运行,该现象可是由于____引起。
9.jpg

C.KM3坏了
A.KT坏了
B.KM1坏了

37.带动大功率泵的船用三相异步电动机,最常用的起动方法是________。
C.全压起动
B.定子串电阻起动
A.Y-三角形起动

38.船用熔断器更换时,下列叙述错误的是_
A.更换新熔体时应当选用与原来熔体型号相同,额定值相同的熔体
B.只要考虑熔体额定电流值相同即可
C.更换新熔体时,要检测熔断管内烧伤情况,如有严重烧伤,磁熔管也要更换

39.船舶电话系统,根据规范要求,主要分_____两种形式。
A.声力电话和自动电话系统
B.声力电话和声控电话系统
C.手动电话和自动电话系统

40.关于电流电压实际方向和参考方向的关系,正确的是_
A.电流电压的参考方向必须是各量对应的实际方向B.电流电压参考方向的选择与其实际方向无关
C.电流的参考方向必须是电流实际方向,电压的参考方向可以不是电压实际方向

41.应急电池在垃电过程中电压下降不超过_
A.12%
C.18%
B.15%

42.电动起货机的剩车间脉应当在_____范围内,但应以起货机起吊额定负荷钳既能利住车而制动器又不雷黑烟为准。
A.0.1-0.5mm
B.0.6-2mm
C.2-6mm

43.在船舶电网烧制中,单相接地时不会产生短路电流而跳闸,不会影响三个烧电压的对称关系的是
A.三线绝缘系统
B.中性点接地三相四线系统        
C.中性点接地三线系统
A
LGG
A

44.下图所示的阈件是__
A.二位三通阀
C.联动阀
B.双座止回阀

45.下列有关静电预防的说法中,错误的是
A.虽然人体是静电的良导体,但静电通过人体时,不会造成电击
B.在静电危险场所的工作人员应穿导电性好的服装和鞋袜
C.在货油舱甲板上禁止穿脱衣物

46.欧姆定律表达式U-IR仅适用下图中的_______图。
A. A.jpg
B. B.jpg
C. C.jpg

47.助焊剂一般用松香或松香水,禁止用_______焊剂。
A.酸性
B.碱性
C.中性

48某单相变压器原、副边距数比为110.9.若轮入电压为20V,则输出空载电压为_·
A.3V
B.9V
C.18V

49 关于磕场和磁力线的描述,说法错误的是__·
A.磁铁的周围存在磁场
B.磁力线总是从磁铁的北极出发,经外部空间回到商极;而在磁铁的内部,则由南极到北极
C.在距磁铁很远处,其磁力线可能会交叉

50.始舶空调系统不制热应栓查_。
A.风机是否起动
C.风机连锁
B.电源开关

51.有通料封闭错式密断器。密断管内有石英砂作填料。有关镇料的作用下列叙述锚溪是___,
A.防止熔体烧断时产生爆炸
B.帮助;体散热
C.提高溶断器的限流能力和分断能力

52设一负载(例如电灯)二端不慎短路,下列说法泽估当的是___,
A.不会对线路造成寿命损伤
C.不会对负载造成寿命损伤
B.负载过功率工作

53在有引起爆炸或可能引起爆炸的区该和处所,为灌免产生火花,对安装的插座要求是_—,
A.只有当开关合上电源时,插头才能插入
B.只有当开关断开电源时、插头才能拔出
C.只有当开关合上电源时、插头才能拔出

54.导线连接后,必须__________________原有的绝缘性能。
A.处理/应高于
C.恢复绝缘/应高于
B.恢复绝缘/不应低于

55.兆欧表上有三个接线柱,两个较大的接线柱上分别标有E、L,另一个较小的接线柱上标有G。其中,L接被测设备成提路的导体部分、E接被测设备或线路的_______G接被测对象的__
B.外壳或大地/屏蔽环
C.屏蔽环/导体部分
A.外壳或大地/导体部分

56.在拆除电机旧绕组时,为便于取出线圈,可将旧绕组____再从槽中拉出。
C.测量后
A.清洗后
B.加热至一定温度后

57.用万用表检测可控硅时,一般应选电阻档的______档位。
C.R*1002
B.R*1002
A.R*1Ω

58.淡水压力柜的水泵电动机起、停过于频繁、电器方面的因素可能是_______。
A.压力继电器低限值整定太高
B.压力继电器高限值整定太低
C.压力继电器低限值整定大高或高限值整定大低

s9.日光灯管正常工作。必须配套齐全的判件有__—
B.启辉器
C.铁芯线圈整流器
A.电子整流器

60.对定值控制系统来说,其主要扰动是______。
B.给定值的变动
C.控制对象的负荷变化
A.电源或气源的波动

61.框架式自动空气断路器电动合闸时,按下按钮后主开关毫无反应而手动方式合闸正常,则可认为故障点在合闸控制电路。可一边按___按钮,一边用万用表测量_______是否到达断路器的相应接线端子来确
A.分闸/合闸信号
认。
C.合闸/合闸信号
B.分闸/分闸信号

62.下列元件中,可将电能转支为热能的基本元件是_,
C.电感
B.热敏电阻
A.电阻

63.已知某正弦交流电流的最大值为100A,周期为0.015,初相位为0,那么该电流的瞬时值表达式为A.)=100sin 628t A
B.i(()=100~/2ain 6281A
c.t)=100sin 0.01t A

64.关于电动情机,下列说法中错误的是___
A.电机允许堵转
B.电机属于短时工作制
C.电动机不能在最大负载下起动

65.有关机舱中需要检测报警,下列选项中______不是模拟量。
B.检测锅炉液位高低的浮子触点
A.温度
c.压力

66软磁材料的特点是__
A.磁滞回线面积较大,刹磁较小
B.磁滞回线面积较小,剩磁较小
C.磁滞回线而积较小、剿碰较大

67.电动机正、反转控制线路中、常把正、反转接触器的常闭触点相互串接到对方的线圈回路中、这称为_控制。
B.互锁
A.自锁
C.闭锁

68.船舶在检修某些特殊部位,需用临时照明时,应使用的电压为_____以下的低压行灯。
B.50V
A.12V
C.36V

69._____是电阻的国际单位。
c.库仑(c)
B.伏特(V)
A.欧姆(Q)

70.如图所示电动机控制线路局部电路中,KM1为控制M1电动机的接触器,KM2为控制电动机M2的接热器、现将连KM2线圈的常开辅触头KMI改为常闭,则会出现_______。
A.只有按下SB2,KM1线圈有电,M1起动后,才能再起动M2
B.当按下 SB2后KM1线圈有电.M1起动,但按下 SB4后,KM2线圈不会有电,M2不能起动
C.只有按下SB4,KM2线圈有电、M2起动后才能再起动M1

71.船舶三相同步发电机的轴承一般采用______冷却。
B.水
C.油
A.自然

72.某发电机的接线如图,这种连接方法是_____连接、uA称为___
B.星形/相电压
A.三角形/相电压
C.星形/线电压

73.在直流电机中,故障率最高,维护量最大的部件是_
C.电枢绕组
B.换向器与电刷
A.换向极

74.应变部署表应公布在全船各明显的处所,包括___。①需驶室②机舱集控室③各糖岗起居住所④更衣间⑤檐房
c.①②③
B.①②⑤
A ①④⑤

75.赖上油水分离器直接应用的方法有___,
B.重力分离法
A.活性污泥法
C.生物滤地法

76.在我国.______对船舶主要备件数量都作了明确规定。①《钢质海船入版规规范》②《船舶与海上设施法定检验技术规则》③中华人民共和国海事同④造船厂和设备生产厂家
c.③④
B.①②
A.①②③④

77.当正弦交流电流产生的熟微应与同样大小的直流电流产生的热效应相同时,该直流电流的大小称为或交流电流的
B.有效值
C.平均值
A.最大值

78.船舶干货舱曲动探火和报鲁系统多采用烟气管道_______探测器。
C.光电感烟
B.感光
A.离子感光

79.在特定情形之下,用人单位可以与劳动者解除劳动合同,但应提前日____以书画形式通知被解除劳动合同的劳动者本人。
B.30
A.15
c.60

80 关于帕舶电始运行自动化,下列说法错误的是,A.船舶电站过载时,能自动卸除次要负载B.各发电机的自动开关应能防止短路时的重复合闸C.船舶运行的自动化提高了,但船舶电站供电质量降低了81.船粕发生污染事故后,下列戴法中错误是__
B.立即向该水域管理当局报告     
C.立即采取控制措施
A.立即喷酒消油剂清除油污

82. 帕用万能式自动空气断路器的主触头、副触头和灭弧触头用在通、断主电路,而辅助触头用在
A.通、断大电流电路
B.通、断主电路
C.控制电路

83.某员有内阻的直流电源与负裁电阻构成的简单供电网络如图,E=230V,Rom0.10,RL=201:若在
闭合时,电路中的工作电流为_
C.105A
B.100A
A.2300A

84.该图为分段测电阻检查电路示意图,若测得0-5的电阻为0,当电路通电后按下起动被钮,验出现
__现象。
A.电机正常运行
C.KM烧坏
B.熔断器烧断

85.机舱使用的工具种类繁多,一般可分为____。①标准工具②推荐的专用工具③可档用的大型专用工

A.①②
C.QQ
B.①②③

86.热线电器为三相异步电动机提供保护动作的特点是_·
C.短路延时动作
A.过就延时动作
B.过就瞬时动作

87.船舶监控仪表按照功能来分,下列____是正确的。
A.数字式仪表,模拟式仪表
C.气动仪表,电动仪表
B.测量仪表,显示仪表

88.直流电路中的某局部电路如图所示,已知II-3A,12-2A,那么13—_A,
A.1
c.5
B.-5

89.对于已充孵电、容量为20Ah的给警电池,说**确的是·
A.著放电电流为40A.则可工作5小时
B.若放电电流为50A.则可工作4小时
C.若放电电流为20A,则可工作10小时

90.钳形电流表的优点是
A.准确度高
C.可以不切断电路测电流
B.一般可以交直流两用

91.超舶主配电板220V供电系统出现绝缘低时,绝缘低故障点的重点怀疑对象是______。
C.机枪照明
B.公共舱室照明
A.室外照明

92为了防止船舶接岸电。相序接铝和单相运行,通常采用的保护液置是__,
C.相序测定器
B.热继电器
A.负序继电器

93.两个电用相率联接入电路,各分得的电压与其阳值的关多是___,
A.成正比
B.成反比
C.在直流电路中成正比,在交流电路中成反比

94.下列有关封闭场所作业期问的设法中,错误的是
A.使用防爆灯
B.不能使用照明灯,而只能使用手电简
C.悬挂“有人工作”的鲁告牌

95.海员道德的基本规范通常包括______。①协爱祖国、协爱航海②爱尚敬业、责任如山③安全第一、服从指挥④开拓创新,优质服务⑤团结协作,同舟共济回道守环保法规,增强环保意识
B.①②⑤④⑥
C.①②③⑤⑥
A ①③④⑤⑥

96.交流三速变极调速锚机工作时能否上高速通常由_______继电器决定。
C.过流
B.零压
A.热

97.不需两路配电的设备是___
C.信号灯
B.航行灯
A.消防泵

98.电子技工开航晶应检查__一·
B.锚机
C.室外电气设备的水密情况
A.舵机

99.如图所示电路中,VA-__V。
C.4
B.10
A.8

100.关于检修作业时的安全注意事项,叙述错误的是__
A.检修主机时必须合上盘车机,并在机旁悬挂“禁止动车”
B.转车前必须注意是否有人或影响转车的物品
C.检修人员必须互相商量好联络信号
"小礼物走一走,来南京金友网支持我"
还没有人打赏,支持一下
走自己的路
您需要登录后才可以回帖 登录 | 立即注册 微信登录 手机动态码快速登录

本版积分规则

嗨!您好:
欢迎来到 南京金友网。
我的名字叫狗蛋
很高兴能够为您服务!
如果已经注册【立即登录】
还没有账号请【立即注册】
快速回复 返回顶部 返回列表