设为首页收藏本站rss

南京金友网 做南京人的网上家园

 找回密码
 立即注册

QQ登录

只需一步,快速开始

微信登录

微信扫一扫,快速登录

手机动态码快速登录

手机号快速注册登录

查看: 3485|回复: 0
收起左侧

应网友要求,发下三速异步电动机的正反转,莫错过!

[复制链接]
累计签到:265 天
连续签到:3 天

1011

主题

100

回帖

1万

积分

管理员

Rank: 9Rank: 9Rank: 9

积分
18900

最佳新人活跃会员热心会员推广达人宣传达人灌水之王突出贡献优秀版主荣誉管理论坛元老

发表于 2022-12-9 18:55:33 来自手机 | 显示全部楼层 |阅读模式 IP:- 中国

马上注册,结交更多好友,享用更多功能,让你轻松玩转社区。

您需要 登录 才可以下载或查看,没有账号?立即注册 微信登录 手机动态码快速登录

x
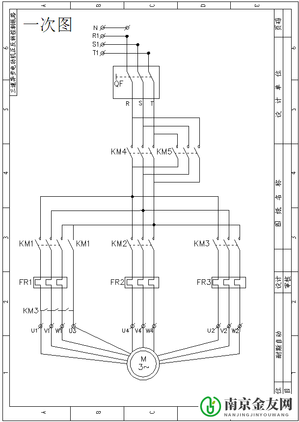
三速异步电动机正反转的电气原理图及实物接线图的详细解说
1) 三速异步电动机正反转的电气原理
1.png
2.png
3.png

对电气原理图的详解:N零线,R1、S1、T1为三相进线电源,QF为空气开关,FR1为低速运行热继电器,FR2为中速运行热继电器,FR3为高速运行热继电器,KM1为低速运行接触器,KM2为中速运行接触器,KM3为高速运行接触器,KM4为正转运行接触器,KM5为反转运行接触器,辅助触点的型号是F4-22,3M~为三相异步电动机。

备注:电气原理图接触器线圈电压为AC220V。

2) 三速异步电动机正反转的实物连线图:

4.png

下面对三速异步电动机正反转的实物连线图进行详解:

下面对线的颜色进行讲解:

黄色(粗)代表三相电R,
绿色(粗)代表三相电S,
红色(粗)代表三相电T,
黑色(粗)代表零线。

下面讲解控制回路:

SB1、KM1控制电动机△接法下低速运转;
SB2、KM2控制电动机Y接法下中速运转;
SB3、KM3控制电动机YY接法下高速运转。

线路工作原理如下:先合上电源空开QF。

首先将转换开关打到正转方向。

低速启动运转

按下SB1→接触器KM1和接触器KM4线圈得电一KM1辅助触头动作→电动机M第一套定子绕组出线端U1、V1

W1(U3通过KM1常开触头与W1并接)与三相电源接通一>电动机M接成△低速正转运转。

低速转为中速运转

先按下停止按钮SB4→KM1线圈失电一→KM1辅助触头复位一>电动机M失电一→再按下SB2→接触器KM2和接触器KM4

线圈得电→KM2辅助触头动作一>电动机M第二套定子绕组出线端U4、V4、W4与三相电源接通一→电动

机M接成Y形,中速正转运转。

中速转为高速运转

先按下SB4→KM2线圈失电→KM2辅助触头复位→电动机M失电一→再按下SB3一→接触器KM3和接触器KM4线圈得电一→KM3触头动作→电动机M第一套定子绕组出线端U2、V2、W2与三项电源接通(U1、V1、W1、U3则通过KM3的三对常开辅助触头并接)→电动机M接成YY型高速正转运转。

如果想要电机反转运转,首先将转换开关打到反转方向。

低速启动运转

按下SB1→接触器KM1和接触器KM5线圈得电一KM1辅助触头动作→电动机M第一套定子绕组出线端U1、V1

W1(U3通过KM1常开触头与W1并接)与三相电源接通一>电动机M接成△低速反转运转。

低速转为中速运转

先按下停止按钮SB4→KM1线圈失电一→KM1辅助触头复位一>电动机M失电一→再按下SB2→接触器KM2和接触器KM5

线圈得电→KM2辅助触头动作一>电动机M第二套定子绕组出线端U4、V4、W4与三相电源接通一→电动

机M接成Y形,中速反转运转。

中速转为高速运转

先按下SB4→KM2线圈失电→KM2辅助触头复位→电动机M失电一→再按下SB3一→接触器KM3和接触器KM5线圈得电一→KM3触头动作→电动机M第一套定子绕组出线端U2、V2、W2与三项电源接通(U1、V1、W1、U3则通过KM3的三对常开辅助触头并接)→电动机M接成YY型高速反转运转。

不管是正转运行还是反转运行,只要是电机低速运行,运行指示灯LD1就会点亮;只要是电机中速运行,运行指示灯LD2就会点亮;只要是电机高速运行,运行指示灯LD3就会点亮。

不管是高速、中速还是低速运行,只要电机超负荷运行致使回路失电,报警灯LD4都会点亮,通知用户电机已经停止运行。

线路的缺点是在进行速度转换时,必须先按下停止铵钮SB4后,才能再按相应的启动按钮变速,所以操作不便。


备注:此实物连接图中选用的空开为DZ47-63型,接触器为CJX2-2510,线圈电压为AC220V,选接触器时线圈电压千万不要选错,切记切记,报警灯线圈电压为AC220V.

希望本文能帮助朋友们,下一个将给大家录制本次控制的录屏视频,敬请大家交流学习,在以后的文章中将继续更多的实用电路讲解,希望朋友们能够互相学习。
"小礼物走一走,来南京金友网支持我"
还没有人打赏,支持一下
走自己的路
您需要登录后才可以回帖 登录 | 立即注册 微信登录 手机动态码快速登录

本版积分规则

嗨!您好:
欢迎来到 南京金友网。
我的名字叫狗蛋
很高兴能够为您服务!
如果已经注册【立即登录】
还没有账号请【立即注册】
快速回复 返回顶部 返回列表